皮革
- 読み方
- ひかく
- 英語
- Hide and leather
- 意味
- 皮革は一般に「かわ」ともいわれるが、皮とは動物の外皮で、毛付き、又は脱毛して未鞣しのものをいう。革<かく>とは毛を除去して鞣したものをいう。皮革は両者を包含する概念である。毛皮も広義の皮革に含めることがある。皮革が繊維材料と異なる最大の特徴は、生体時に既に線維と交絡状態が決定されている点にあり、それだけ天然材料としての個性が強い。通常、哺乳動物皮の耐熱性は62~63℃前後であるが、革は鞣されるとコラーゲン繊維が安定して耐熱性が向上する。。鞣されると腐敗しにくく(湿潤状態でも)、柔軟性及び弾力性を保持するようになる。鞣しに使用する鞣剤<じゅうざい>の種類や加工方法や厚さなどにより特徴のある革ができる。
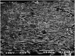
電子顕微鏡写真において、天然皮革の銀面では超極細のコラーゲンフィブリルが繊維束を構成せずに、フィブリルのままで走行し、フィブリル同士で交絡し緻密で不織布のような繊維構造になっている。肉面に近づくにしたがって繊維束直径は大きくなっている。この点が人工皮革や合成皮革の断面構造と大きく異なっている。

≪天然皮革の断面≫

≪人工皮革の断面≫

≪合成皮革の断面≫
- 関連リンク
- 人工皮革合成皮革